關於我們
產品資訊
解決方案
實績案例
最新訊息
保固登錄
聯絡我們
大功率直流電子負載
回饋式直流負載
Rohde & Schwarz (羅德史瓦茲)
FLUKE(福祿克)
RIGOL(普源精電)
ITECH(愛德克斯電子)
BK Precision(台灣百科精密)
交/直流電源(300VA~3KVA)
交流電網模擬器(2KVA~1MVA)
太陽能模擬器
大功率雙向電源
雙向電源
大功率直流電源
泛用型電源
多通道電源
模組式電源分析儀
電源電表(SMU)
高精度電源
交/直流電子負載
機框式直流負載
雙向能源回饋測試電源&負載
可程式直流電源
可程式直流負載
可程式交流/交直流電源
可程式交流/直流負載
電源電錶(SMU)
功率分析儀 (Power Meter)
線性直流電源
客製化交換式電源供應器
內阻測試儀
數位示波器與分析儀
函數/任意波形產生器
LCR錶與阻抗分析儀
數位電錶
高解析紅外線熱影像儀
多通道資料搜集器
電流勾錶
環境可靠度測試(Chamber)
不斷電系統(UPS)
電流分流器 (current divider)
(客製)高電流紅黑測試線
電熱偶溫度線
高頻測試線 (RF Cables)
二手儀器
test
產品資訊 /
Rohde & Schwarz (羅德史瓦茲)
/
FSVA3000 訊號與頻譜分析儀
R&S®FSVA3004
產品編號:R&S®FSVA3004
►
支援頻率範圍從 10 Hz 至 4 GHz / 7.5 GHz / 13.6 GHz / 30 GHz / 44 GHz / 50 GHz / 54 GHz
►
透過 R&S外部諧波混頻器,可將頻率範圍擴展至 325 GHz
►
搭配 R&S的外部前端 (external frontend),將頻率範圍擴展至 50 GHz,即可進行高性能的訊號分析
►
分析頻寬支援達 1 GHz
►
SSB 相位雜訊在 10 kHz offset (1 GHz) 時小於 –127 dBc (1 Hz)
►
1 GHz 時的三階截斷點(TOI) 為 +20 dBm(典型值)
►
DANL 在 1 GHz 為 –153 dBm
►
DANL 在 1 GHz 時搭配前置放大器可達 –167 dBm (選配)
►
支援雲端遠端 (cloud-based) 測試
►
10 Gbit/s LAN 測試介面 (選配)
►
配備多點觸控顯示螢幕、SCPI 記錄器、和量測事件的使用者介面
►
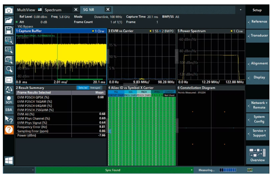
適用於類比和數位訊號分析的量測應用,包含 5G NR
與我們聯絡
規格
數量
−
+
分享到
產品說明
快速的量測速度為產線量測的理想選擇
元件、模組和設備的自動化生產,需要光譜 (spectral) 量測和訊號解調,R&S FSVA3000 訊號和頻譜分析儀可在最短時間內執行複雜的量測週期,它可以在最短時間內執行頻譜量測、訊號解調和不同測量模式之間的切換,其合成器 (synthesizer) 技術可實現快速頻率切換,以 FFT 為基礎的 ACLR 和 SEM 測試比掃頻測試更快,同時提供相同的動態範圍。
5G 與其他無線標準量測的最佳選擇
現今的無線通訊對於頻寬的需求越來越大,在 1 GHz 的分析頻寬下,R&S FSVA3000 在同類產品中樹立了新標準,它支援同時捕捉 10 個連續的 5G NR 組成載波 (component carriers),R&S
FSVA3000 為所有現代無線和行動通訊標準提供訊號分析的測試選配,包括:
3GPP 5G NR
EUTRA/LTE/LTE-Advanced
NB-IoT downlink
WCDMA
GSM/EDGE/EDGE Evolution
WLAN IEEE 802.11a/b/g/n/p/ac/ax/be
Bluetooth® Basic Rate/Enhanced Data Rate/Low Energy
絕佳的 RF 性能
R&S FSVA3000 保留了高階儀器的射頻 (RF) 性能,SSB 相位雜訊在 10 kHz 偏移時可達 < –127 dBc (1 Hz) 的優異表現,實現了非常接近載波的窄頻量測;選配 R&S FSV3-K40 相位雜訊量測應用程序,讓該儀器的低固有相位噪聲,在無線和 A&D 產業最常用的振盪器的相位雜訊量測,騰出了足夠的測試能量。
型號
Frequency range
Phase noise
Max. analysis bandwidth
R&S®FSVA3004
10 Hz - 4 GHz (2 Hz - 4 GHz with R&S®FSV3-B710 option)
< –127 dBc (1 Hz)
(f = 1 GHz, 10 kHz offset, option B710)
1 GHz
R&S®FSVA3007
10 Hz - 7.5 GHz (2 Hz - 7.5 GHz with R&S®FSV3-B710 option)
< –127 dBc (1 Hz)
(f = 1 GHz, 10 kHz offset, option B710)
1 GHz
R&S®FSVA3013
10 Hz - 13.6 GHz (2 Hz - 13.6 GHz with R&S®FSV3-B710 option)
< –127 dBc (1 Hz)
(f = 1 GHz, 10 kHz offset, option B710)
1 GHz
R&S®FSVA3030
10 Hz - 30 GHz (2 Hz - 30 GHz with R&S®FSV3-B710 option)
< –127 dBc (1 Hz)
(f = 1 GHz, 10 kHz offset, option B710)
1 GHz
R&S®FSVA3044
10 Hz - 44 GHz (2 Hz - 44 GHz with R&S®FSV3-B710 option)
< –127 dBc (1 Hz)
(f = 1 GHz, 10 kHz offset, option B710)
1 GHz
R&S®FSVA3050
10 Hz - 50 GHz (2 Hz - 54 GHz with R&S®FSV3-B710 and R&S®FSV3-B54G options)
< –127 dBc (1 Hz)
(f = 1 GHz, 10 kHz offset, option B710)
1 GHz
相關商品推薦